TEL: +66-842171888
FAX: +66-34447747
E-MAIL: eastcapitalt@yahoo.com
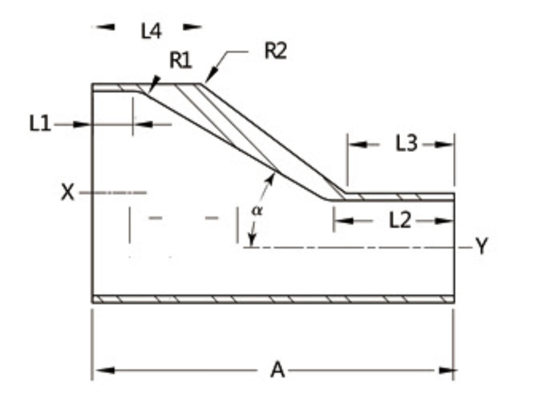
DT-4.1.3-1 Automatic Tube Weld Concentric And Eccentric Reducer
0


TEL: +66-842171888
FAX: +66-34447747
E-MAIL: eastcapitalt@yahoo.com
ADD: 51/1, 51/6 Moo 6 Kongmadeur
Kratumban, Samutsakorn
74110 Thailand